Sistem hibrid mediu

Sistem hibrid mediu

Un sistem de stocare a energiei în rețea și în afara rețelei integrează generarea de energie fotovoltaică (PV), stocarea energiei și controlul inteligent. Poate funcționa atât în ​​mod conectat la rețea, cât și în mod autonom, asigurând o alimentare continuă și stabilă.

Trimite o anchetă

Descriere produs


Caracteristică

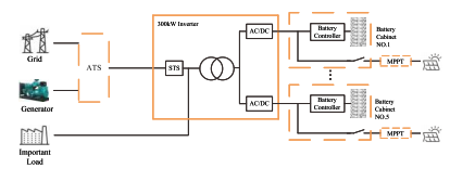
Sistemul utilizează unități invertoare modulare în configurație paralelă, unde

fiecare intrare DC a modulului invertor corespunde unui dulap dedicat pentru baterii,

permițând gestionarea per-cluster pentru a elimina curenții circulatori între

șiruri de baterie.

Modulele de alimentare AC/DC acceptă implementarea flexibilă atât în ​​cantitate, cât și

putere nominală, cu o capacitate maximă de module de 60 kW în paralel de 5 unități

configurație.

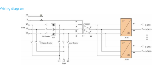
Ieșirea AC de la modulele de putere este furnizată printr-un transformator

treaptă de ieșire izolată, care furnizează energie sarcinii cu rezistență puternică la

șoc curent.

ESS hibrid folosește integrarea fotovoltaică cuplată DC, obținând un nivel ridicat

eficienta conversiei energiei si optimizat pentru scenarii off-grid cu PV

capacitatea de generare care depășește cererea de sarcină; Controlere MPPT pentru exterior

integrați funcționalitățile combinatorului și MPPT într-o singură carcasă întărită.

Sistemul complet include o opțiune ATS cu generator diesel, un hibrid de 300 kW

invertor, controler PV MPPT și un sistem de stocare a energiei bateriei.



Caracteristică

Sistemul utilizează unități invertoare modulare în configurație paralelă, unde

fiecare intrare DC a modulului invertor corespunde unui dulap dedicat pentru baterii,

permițând gestionarea per-cluster pentru a elimina curenții circulatori între

șiruri de baterie.

Modulele de alimentare AC/DC acceptă implementarea flexibilă atât în ​​cantitate, cât și

putere nominală, cu o capacitate maximă de module de 60 kW în paralel de 5 unități

configurație.

Ieșirea AC de la modulele de putere este furnizată printr-un transformator

treaptă de ieșire izolată, care furnizează energie sarcinii cu rezistență puternică la

șoc curent.

ESS hibrid folosește integrarea fotovoltaică cuplată DC, obținând un nivel ridicat

eficienta conversiei energiei si optimizat pentru scenarii off-grid cu PV

capacitatea de generare care depășește cererea de sarcină; Controlere MPPT pentru exterior

integrați funcționalitățile combinatorului și MPPT într-o singură carcasă întărită.

Sistemul complet include o opțiune ATS cu generator diesel, un hibrid de 300 kW

invertor, controler PV MPPT și un sistem de stocare a energiei bateriei.









Specificații

Modele P200TS-400-A P250TS-400-A P300TS-400-A

Parametri DC-Side
Gama de tensiune 650-950Vdc
Comutator de intrare per modul 250A
Numărul de canale DC 3 căi 4 moduri 5 moduri

Parametrii AC-Side
(conectat la rețea)
Puterea nominală de ieșire 200kW 250 kW 300kW
Putere maximă de ieșire 220 kW 275 kW 330 kW
Curent nominal de ieșire 289A 361A 433A
THDi <3%
Tip grilă 3W+N+PE
Gama de tensiune 360Vac~440Vac
Gama de frecvente 45~55Hz/55~65Hz
Factorul de putere -1~1

Insulat
Parametrii AC
Puterea nominală de ieșire 200kW 250kW                    300kW
Tensiunea nominală de ieșire 400Vca
Frecvența nominală de ieșire 50/60Hz
THdu <1% liniar, <5% neliniar <1% liniar, <5% neliniar
Capacitate de suprasarcina 110% supraîncărcare timp de 10 minute110% timp de 10 minute

Grid-Islanding
Transfer și comutație
Comutator bypass de întreținere 400A 630A
Comutatoare de rețea 630A 800A
Comutatoare de încărcare 400A 630A
Unitatea STS 577A/400kW 722A/500kW
Timp de comutare <20 ms

Parametrii sistemului
Eficiență maximă 97,5%
Temperatura de functionare -30~55℃ -30~55℃ (reducere peste 40℃)
Umiditatea relativă 0~95%RH,0~95%RH, fără condensare
Dimensiuni (L*D*H) 1300×1050×2050mm
Greutate 1400 kg 1700kg               1800kg
IPgrade IP21 IP21 (set complet)
Zgomot <70dB
Ecran de afișare Ecran tactil LCD
Comunicare BMS POATE
Comunicare EMS TCP/IP


Hot Tags: Sistem hibrid mediu
Trimite o anchetă
Vă rugăm să nu ezitați să trimiteți întrebarea dvs. în formularul de mai jos. Vă vom răspunde în 24 de ore.
X
Folosim cookie-uri pentru a vă oferi o experiență de navigare mai bună, pentru a analiza traficul site-ului și pentru a personaliza conținutul. Prin utilizarea acestui site, sunteți de acord cu utilizarea cookie-urilor. Politica de confidențialitate