English
Español
Português
русский
Français
日本語
Deutsch
tiếng Việt
Italiano
Nederlands
ภาษาไทย
Polski
한국어
Svenska
magyar
Malay
বাংলা ভাষার
Dansk
Suomi
हिन्दी
Pilipino
Türkçe
Gaeilge
العربية
Indonesia
Norsk
تمل
český
ελληνικά
український
Javanese
فارسی
தமிழ்
తెలుగు
नेपाली
Burmese
български
ລາວ
Latine
Қазақша
Euskal
Azərbaycan
Slovenský jazyk
Македонски
Lietuvos
Eesti Keel
Română
Slovenski
मराठी
Srpski језик
Caracteristicile produsului
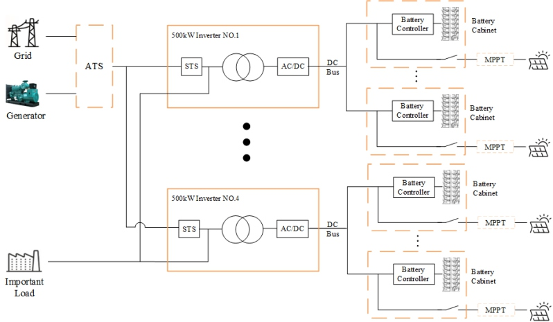
1. Încărcări care depășesc 500 kW, se recomandă utilizarea unui invertor de stocare a energiei cu o singură unitate de 500 kW de capacitate mare, care poate suporta până la patru seturi de conexiuni paralele, realizând o putere totală de 2 MW;
2. Când se operează mai multe sisteme de 500 kW în paralel și se distribuie STSa în diferite invertoare de 500 kW, este esențial să se asigure că lungimea cablului de la punctul de legătură al rețelei până la punctul de legătură al sarcinii este consecventă;
3. ESS hibrid utilizează integrarea fotovoltaică cuplată în curent continuu, obținând o eficiență ridicată de conversie a energiei și optimizat pentru scenarii în afara rețelei cu capacitatea de generare fotovoltaică care depășește cererea de sarcină; MPPT pentru exterior
Controlerele integrează funcționalitățile combinatorului și MPPT într-o singură carcasă întărită. Sistemul complet include o opțiune ATS generator diesel, un invertor hibrid de 300 kW, controler PV MPPT și o baterie
sistem de stocare a energiei.


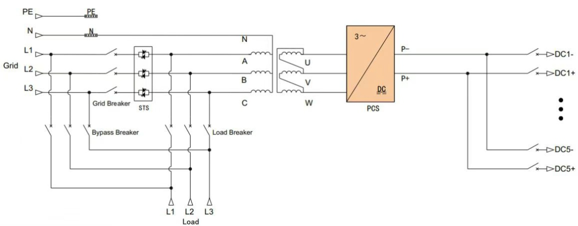
Caietul de sarcini
| Modele | P500TS-400-A | |
|
Parametri DC-Side |
Gama de tensiune | 500-950V |
| Curent maxim | 1128A | |
| Puterea nominală de ieșire | 500kW | |
|
Parametrii AC-Side (conectat la rețea) |
Putere maximă de ieșire | 550 kW |
| Curent nominal de ieșire | 722A | |
| THDi | <3% | |
| Tip grilă | 3W+N+PE | |
| Gama de tensiune | 360VAC~440VAC | |
| Gama de frecvente | 45~55Hz/55~65Hz | |
| Factorul de putere | -1~1 | |
| Puterea nominală de ieșire | 500kW | |
|
Parametrii laterali AC (În afara rețelei) |
Tensiunea nominală de ieșire | 400V |
| Frecvența nominală de ieșire | 50/60Hz | |
| THdu | <1% Sarcină liniară, <5% Sarcină neliniară | |
| Capacitate de suprasarcina | 110%10 minute | |
| Comutator bypass de întreținere | 1250A | |
|
Comutator off-grid și configurația comutatorului |
întrerupător DC | 1250A |
| Comutator de sarcină | 1250A | |
| Comutator de rețea | 1250A | |
| Unitatea STS | 1155A/800kW | |
| Timp de comutare | <20 ms | |
|
Parametrii sistemului |
Eficiență maximă | 97,5% |
| Temperatura de functionare | -30~55℃ (reducere peste 40℃) | |
| Umiditatea relativă | 0 până la 95%RH, fără condensare | |
| Dimensiuni (L*D*H) | 1600×1050×2050mm | |
| Greutate | 2700 kg | |
| IPgrade | IP21 IP21 (mașină completă) | |
| Zgomot | <70dB | |
| Ecran de afișare | LCD | |
| Comunicare BMS | POATE | |
| Comunicare EMS | TCP/IP | |